Kia Optima: Component (2)

Component (1)
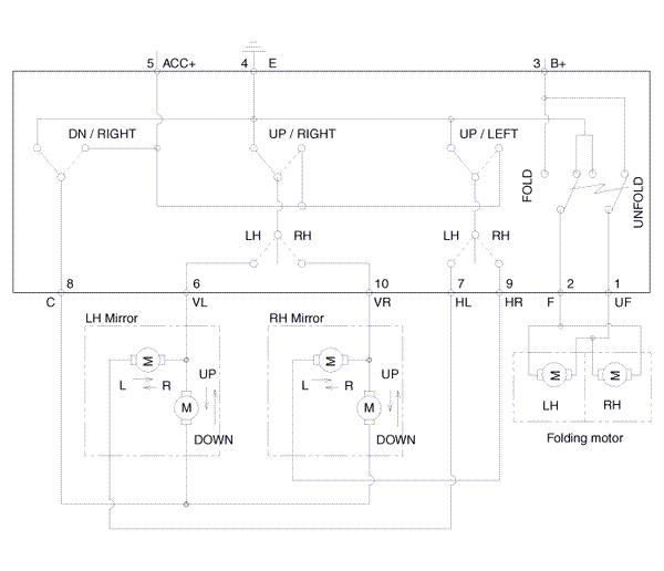
Power Out Side Mirror Switch. Repair proceduresAdjustment
1.
Check that the waste gate turbo charger is cool enough
to work.
2.
Turn the ignition switch to OFF position.
3.
Connect the diagnosti ...
Non-operational conditions of rear parking assist system
The rear parking assist system may not operate properly when:
1. Moisture is frozen to the sensor. (It will operate normally when the moisture
has been cleared.) 2. The sensor is covered with forei ...
Components and Components Location
Components Location
1. AVN (A/V & Navigation head unit)
2. Midrange speaker
3. External amplifier
4. Roof antenna (GPS + SDARS)
5. Front door speaker
6. Rear speak ...