Kia Optima: Passenger And Rear Power Window Switch

[Safety Up/Down]Wheel alignment and tire balance
The wheels on your vehicle were
aligned and balanced carefully at the
factory to give you the longest tire life
and best overall performance.
In most cases, you will not need to
have your whe ...
Automatic Door Locks
Operating Door Locks - With the Key
Both front doors can be locked and unlocked with the key.
Turn the key to the left to lock and to the right to unlock the door.
Once a door is unlocked, i ...
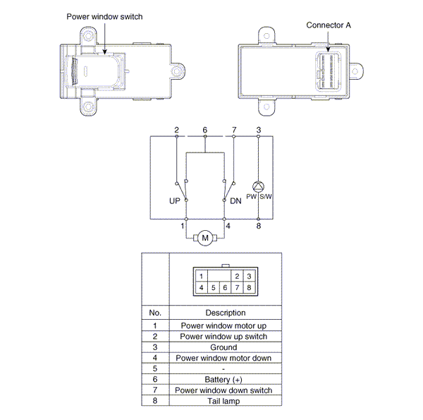
Diagnosis procedure by using diagnostic device
As manual for diagnosis methods by using diagnosis device, the main contents are
as follows:
1.
Connect self-diagnosis connector(16pins)
located in the lower of driver side crash pad to ...