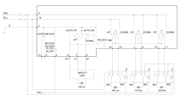
Kia Optima: [Safety Up/Down]

[Auto Down]Check Engine (Malfunction Indicator) Light
This indicator light
is part of the On Board Diagnostic System which monitors various emission control
system components. If this light illuminates while driving, it indicates that a
potential p ...
Engine compartment
2.4L Engine
2.0L Engine
1. Engine coolant reservoir 2. Engine oil filler cap 3. Brake/clutch* fluid
reservoir 4. Air cleaner 5. Fuse box 6. Positive battery terminal 7. Negative
battery term ...
Temperature control
The temperature control knob allows you to control the temperature of the air
flowing from the ventilation system. To change the air temperature in the passenger
compartment, turn the knob to th ...