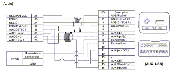
Kia Optima: Multimedia jack. Schematic DiagramsCircuit Diagram


Installation
Multimedia jack. Description and OperationMAX A/C MODE
When you select the MAX A/C mode (switch indicator illuminates) while the fan
speed is on, it will be set the system automatically as follows;
- the air conditioning system will be turned on.
- ...
Ignition Switch and Anti-Theft Steering Column Lock
Ignition Switch Positions
LOCK
The steering wheel locks to protect against theft. The ignition key can be removed
only in the LOCK position. When turning the ignition switch o the LOCK position, ...
Air bag warning label
Air bag warning labels, some required by the Canada Motor Vehicle Safety Standards
(CMVSS), are attached to the sunvisor to alert the driver and passengers of potential
risks of the air bag sy ...