Kia Optima: Functions - Description and Operation - Keyless Entry And Burglar Alarm - Body Electrical System - Kia Optima TF 2011-2026 Service ManualKia Optima: Functions

DISARM

Condition 1

State
Description
Initial Condition
ALARM
Event
- IGN KEY ON during 30sec or ALT ”L” on
NON SMK SPEC :
- Any door open & TX unlock
- TX Trunk
- TX Lock & Lock confirm Failed
SMK SPEC :
- Any door open & RKE CMD Unlock/ Passive Access Unlock 1
- RKE trunk 1
- TP AUTH 1/ PIC AUTH 1
- RKE CMD Lock/ Passive Access Lock 1 & Lock confirm Failed
Mechanical Key Option Enable :
- Unlock
- lock & Lock confirm Failed
Action
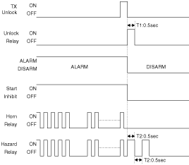
The state goes to DISARM state
- Horn Relay, Hazard Relay, Start inhibit OFF
- TX Unlock, RKE CMD Unlock, Passive Access Unlock 1

-> Unlock relay on for 0.5sec

-> Hazard relay on (TWICE)

Lock failure : Lock attempts within 5 seconds after the Unlock door maintain at least one if

RKE CMD = Unlock : RKE CMD = Unlock & Fob1 or Unlock & Fob2

RKE CMD = Lock : RKE CMD = Lock & Fob1 or Lock & Fob2

T1 : 0.5s, T2 : 0.5s +-0.1s

T1 : 0.5s, T2 : 0.5s +-0.1s

Condition 2

Condition 2
State
Description
Initial Condition
DISARM state & (IGN KEY OUT) & Any Door open
Event
NON SMK spec :
- Any door open & TX UNLOCK
SMK spec :
- Any door open & RKE CMD UNLOCK / Passive Access Unlock 1 / RKE TRUNK 1
- TP AUTH 1 / PIC AUTH 1
Action
No state change
- TX UNLOCK, RKE CMD UNLOCK, Passive Access Unlock 1

-> Hazard relay for 0.5s ON/OFF(twice)


Condition 3

State
Description
Initial Condition
ARM WAIT state
Event
- Any door open or Hood switch OPEN or Trunk switch OPEN
- Any door is unlocked
- Key In switch ON
SMK spec :
TP AUTH 1 / PIC AUTH 1
Mechanical Key OPTION Enable :
UNLOCK
Action
The state goes to DISARM state

Condition 4

State
Description
Initial Condition
AUTOLOCK TIMER1 STATE
Event
- Any door open or Hood switch OPEN or Trunk switch OPEN
- Key In switch ON
- AUTO LOCK & Lock confirmation failure

NON SMK spec :
- AUTO LOCK & Lock confirmation failure

SMK spec :
- RKE CMD LOCK / Passive Access Lock 1& Lock confirmation failure
- TP AUTH 1 / PIC AUTH 1
Mechanical Key option Enable :
- LOCK & Lock confirmation failure
Action
The state goes to DISARM state

Condition 5

State
Description
Initial Condition
AUTOLOCK TIMER2 STATE
Event
- Any door open
- Key In switch ON
- AUTO LOCK & Lock confirmation failure
- Hood switch Open and Memory Hood was Close
- Trunk switch Open and Memory Trunk was Close
NON SMK spec :
- TX LOCK& Lock confirmation failure
SMK spec :
- RKE CMD=LOCK/ Passive Access Lock 1& Lock confirmation failure
- TP AUTH 1/PIC AUTH 1
Mechanical Key option Enable :
LOCK & Lock confirmation failure
Action
The state goes to DISARM state

Condition 6

State
Description
Initial Condition
ARM STATE
Event
- IGN KEY ON
SMK spec :
- TP AUTH 1 / PIC AUTH 1
Mechanical Key option Enable :
- UNLOCK
Action
The state goes to DISARM state

Condition 7

State
Description
Initial Condition
REARM state
Event
- IGN KEY ON during 30sec or ALT”L” on
NON SMK spec :
- TX LOCK& Lock confirmation failure
- TX TRUNK
SMK spec :
- TP AUTH 1 / PIC AUTH 1
- RKE CMD LOCK / Passive Access Lock 1 & Lock confirmation failure
- RKE TRUNK 1
Mechanical Key option Enable :
- UNLOCK
- LOCK & Lock confirmation failure
Action
The state goes to DISARM state
Start inhibit OFF

Condition 8

State
Description
Initial Condition
PREARM state
Event
- Key In switch ON
- All entrance closed & Any Door is unlocked
- Any Door open & Tx Unlock
NON SMK :
- Any door open & TX UNLOCK
SMK :
- TP AUTH 1 / PIC AUTH 1
- Any door open & RKE CMD UNLOCK/ Passive Access Unlock 1
Mechanical Key option Enable :
- UNLOCK
Action
The state goes to DISARM state
- TX UNLOCK, RKE CMD UNLOCK, Passive Access Unlock 1

-> Hazard relay for 0.5s ON/OFF(twice)


Condition 9

State
Description
Initial Condition
ARMHOLD
Event
- IGN KEY ON
SMK :
- TP AUTH 1 / PIC AUTH 1
Mechanical Key option Enable :
- UNLOCK
Action
The state goes to DISARM state

ARM

Condition 1
State
Description
Initial Condition
ARM state
Event
NON SMK :
- TX LOCK
NON SMK :
- RKE CMD LOCK / Passive Access Lock 1
Action
No state change
Hazard relay 1Time on(1sec)

Condition 2

State
Description
Initial Condition
ARM WAIT state
Event
- After ARM WAIT TIMER finished
Action
The state goes to ARM state

Condition 3

State
Description
Initial Condition
ARMHOLD state
Event
Trunk close for at least Trunk Release Time Out(default 30sec) in ARMWAIT state
Action
The state goes to ARM state

ALARM

Condition 1
State
Description
Initial Condition
ARM state
Event
Any door open or Hood switch open or Trunk switch open
Action
The state goes to ALARM state
- Engine Start Inhibit is ON
- The horn is ON one time for 27sec(±2sec) and OFF two times for 10sec(±1sec)
- The hazard is driven also (During Horn driving)

T1 : 27s(±2sec), T2 : 10s(±2sec), T3 : 0.5s ± 0.1secNote : Horn Output : Period

T1 : 27s(±2sec), T2 : 10s(±2sec), T3 : 0.5s ± 0.1sec

Note : Horn Output : Period : 1sec(Can be calibrated Horn Period), 50% Duty

Condition 2
State
Description
Initial Condition
REARM state
Event
Any door open or Hood switch OPEN or Trunk switch OPEN
Action
The state goes to ALARM state
The horn is ON one time for 27sec(±2sec) and OFF two times for 10sec(±1sec)
The hazard is driven also (During Horn driving)

Condition 3

State
Description
Initial Condition
ARMHOLD state
Event
Any door open or Hood switch OPEN
Action
The state goes to ALARM state
The horn is ON one time for 27sec(±2sec) and OFF two times for 10sec(±1sec)
The hazard is driven also (During Horn driving).

ARM WAIT MODECondition 1

ARM WAIT MODE

Condition 1

State
Description
Initial Condition
ARMWAIT state
Event
NON SMK :
- TX LOCK
NON SMK :
- RKE CMD LOCK / Passive Access Lock 1
Action
No state change
Hazard relay 1Time on(1sec)

Condition 2

State
Description
Initial Condition
DISARM state & IGN KEY OUT & All entrances closed(DOORS, HOOD and TRUNK)
Event
NON SMK :
- Tx Lock & locked confirmed
SMK spec :
- RKE CMD LOCK / Passive Access Lock 1 & locked confirmed
Mechanical Key option Enable :
- LOCK & locked confirmed
- DOOR LOCK state : Any door open → All door closed
Action
- The state goes to ARMWAIT State
- Start ARM WAIT TIMER
- Hazard relay 1Time on(1sec)

Condition 3

State
Description
Initial Condition
ALARM state & All entrances closed(DOORS, HOOD and TRUNK)
Event
NON SMK :
- Tx Lock & locked confirmed
SMK spec :
- RKE CMD LOCK / Passive Access Lock 1 & locked confirmed
Mechanical Key option Enable :
- LOCK & locked confirmed
Action
- The state goes to ARMWAIT State
- Horn relay, Start inhibit relay OFF
- Hazard relay 1Time on(1sec) (LOCK : Except)
- Start ARMWAIT TIMER

Condition 4

State
Description
Initial Condition
AUTOLOCK TIMER1 state
Event
AUTOLOCK & locked confirmed
NON SMK :
- Tx Lock & locked confirmed
SMK :
- RKE CMD LOCK / Passive Access Lock 1 & locked confirmed
Mechanical Key option Enable :
LOCK & locked confirmed
Action
- The state goes to ARMWAIT State
- Hazard relay 1Time on(1sec)
- Start ARMWAIT TIMER

Condition 5

State
Description
Initial Condition
PREARM state
Event
All door closed and (Trunk switch CLOSE & TRUNK MARK CLEAR) & Hood switch CLOSE & DOOR LOCK
Action
- The state goes to ARMWAIT State
- Hazard relay 1Time on(1sec)
- Start ARMWAIT TIMER

Condition 6

State
Description
Initial Condition
REARM state
Event
NON SMK :
- TX LOCK & locked confirmed
SMK :
- RKE CMD LOCK/ Passive Access Lock 1 & locked confirmed
Mechanical Key option Enable :
- LOCK & locked confirmed
Action
- The state goes to ARMWAIT State
- Hazard relay 1Time on(1sec) (LOCK : Except)
- Start Inhibit relay OFF
- Start ARMWAIT TIMER

*1 : Lock : Driver Door Unlock Switch or Assist Door Unlock Switch or Rear Right

*1 : Lock : Driver Door Unlock Switch or Assist Door Unlock Switch or Rear Right Driver Unlock Switch = LOCK

Unlock : Driver Door Unlock Switch or Assist Door Unlock Switch or Rear Right Driver Unlock Switch = UNLOCK

REARM MODE

Condition 1

State
Description
Initial Condition
ALARM state
Event
All door closed and trunk switch close, hood switch close state, and ALARM PATTERN finished
Action
The state goes to REARM state

AUTO LOCK TIMER1 MODE

Condition 1
State
Description
Initial Condition
ARM state
Event
NON SMK :
- TX UNLOCK
SMK :
- RKE CMD UNLOCK / Passive Access Unlock 1
Action
- The state goes to AUTO LOCK TIMER1 state
- Start AUTO LOCK TIMER1
- Hazard relay Twice on(0.5s ON/0.5s OFF)

Condition 2

State
Description
Initial Condition
AUTO-LOCK TIMER1 state
Event
AUTOLOCK TIMER1 finished
NON SMK :
- TX UNLOCK
SMK :
- RKE CMD UNLOCK / Passive Access Unlock 1
Action
No change state
CASE1: AUTO LOCK TIMER1 Finished
AUTOLOCK
CASE2: TX UNLOCK, RKE CMD UNLOCK, Passive Access Unlock 1
Hazard relay Twice on(0.5s ON/0.5s OFF)
Restart AUTO LOCK TIMER1

Condition 3

State
Description
Initial Condition
ARM WAIT state
Description
Burglar Alarm SystemThe burglar alarm system is armed automatically after the doors, hood, and trunk lid are closed and locked. The system is set off when any of these things occur: • ...

Repair procedures
Inspection Front Door Lock Actuator Inspection 1. Remove the front door trim. (Refer to the BD group - "Front door") 2. Remove the front door module. ...

See also:

CVVT Oil Temperature Sensor (OTS). Description and Operation
Description Continuous Variable Valve Timing (CVVT) system advances or retards the valve timing of the intake and exhaust valve in accordance with the ECM control signal which is calculated by ...

Inspection
1. Check for the following items visually. A. Cracks or leakage of the canister B. Loose connection, distortion, or damage of ...

Daytime running light
Daytime Running Lights (DRL) can make it easier for others to see the front of your vehicle during the day. DRL can be helpful in many different driving conditions, and it is especially helpful af ...

Copyright www.kiopman.com 2026