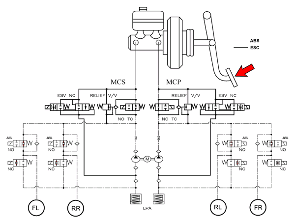
Kia Optima: ESC Operation Mode
| ESC Hydraulic System Diagram |

| 1. |
ESC Non-operation : Normal braking.
Solenoid valve
|
Continuity
|
Valve
|
Motor pump
|
TC Valve
|
IN (NO)
|
OFF
|
OPEN
|
OFF
|
OFF
|
OUT (NC)
|
OFF
|
CLOSE
|
|
| 2. |
ESC operation
Solenoid valve
|
Continuity
|
Valve
|
Motor pump
|
TC Valve
|
Understeering
(Only inside of
rear wheel)
|
IN(NO)
|
OFF
|
OPEN
|
ON
|
ON
|
OUT(NC)
|
OFF
|
CLOSE
|
Oversteering
(Only outside
of front wheel)
|
IN(NO)
|
OFF
|
OPEN
|
OUT(NC)
|
OFF
|
CLOSE
|

|
ABS Warning Lamp module
The active ABS warning lamp module indicates the self-test
and failure status of the ABS. The ABS warning lamp shall be on:
| - |
During the initialization phase
after IGN ON. (continuously 3 seconds). |
| - |
In the event of inhibition of
ABS functions by failure. |
| - |
During diagnostic mode. |
| - |
When the ECU Connector is separated
from ECU. |
| - |
Cluster lamp is ON when communication
is impossible with CAN module. |
EBD/Parking Brake Warning Lamp Module
The active EBD warning lamp module indicates
the self-test and failure status of the EBD. However, in case the Parking Brake
Switch is turned on, the EBD warning lamp is always turned on regardless of EBD
functions. The EBD warning lamp shall be on:
| - |
During the initialization phase
after IGN ON. (continuously 3 seconds). |
| - |
When the Parking Brake Switch
is ON or brake fluid level is low. |
| - |
When the EBD function is out
of order . |
| - |
During diagnostic mode. |
| - |
When the ECU Connector is separated
from ECU. |
| - |
Cluster lamp is ON when communication
is impossible with CAN module. |
ESC function/warning lamp (ESC system)
The ESC function/warning lamp indicates
the self-test and failure status of the ESC.
The ESC function/warning lamp is turned on under the following conditions :
| - |
During the initialization phase
after IGN ON. (continuously 3 seconds). |
| - |
When the ESC function is inhibited
by system failure. |
| - |
When the ESC control is operating.
(Blinking - 2Hz) |
| - |
During diagnostic mode.(Except
standard mode) |
| - |
Cluster lamp is ON when communication
is impossible with CAN module. |
ESC Off Lamp (ESC system)
The ESC Off lamp indicates the self-test and operating
status of the ESC.
The ESC Off lamp operates under the following conditions :
| - |
During the initialization mode
after IGN ON. (continuously 3 seconds). |
| - |
ESC Off lamp is On when driver
input the ESC Off switch. |
ESC On/Off Switch (ESC system)
The ESC On/Off Switch shall be used to toggle the
ESC function between On/Off states based upon driver input.
The On/Off switch shall be a normally open, momentary contact switch. Closed contacts
switch the circuit to ignition.
Initial status of the ESC function is on and switch
toggle the state.
Optimum driving safety now has a name : ESC, the Electronic Stability Control.
ESC recognizes critical driving conditions, such as panic reactions in dangerous
situations, and stabilizes the vehi ...
See also:
Certification label
The certification label is located on
the driver's door sill at the center pillar.
This label shows the maximum
allowable weight of the fully loaded
vehicle. This is called the GVWR
(Gros ...
Removal
1.
Remove the radiator grill upper
cover.(Refer to the BD group - "Front bumper")
2.
Remove the mounting nut and disconnect
the horn connector (B), then ...
Description
and Operation
Description
The starting system includes the battery, starter, solenoid
switch, ignition switch, inhibitor switch (A/T), clutch pedal switch (M/T),
ignition lock switch, connection wires and th ...