Kia Optima: Circuit Diagram (1)

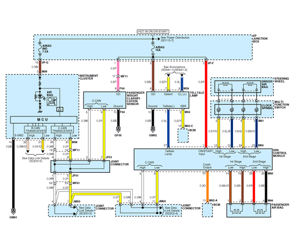
| Circuit Diagram (2) |

| Circuit Diagram (3) |

SRSCM Connector TerminalElectric WGT Control Actuator. Description and Operation
Desrcription
The Electric WGT Control Actuator is installed on the turbocharger.It operates the vain in the Waste Gate Turbocharger (WGT)
and regulates the compressed air amount by the ECM's P ...
Lighting Control
The light switch has a Headlight and a Parklight position.
To turn the lights on, twist the knob on the end of the control lever.
Parklight position ()
When the light switch is in the parklight p ...
35R Clutch Control Solenoid Valve(35R/C_VFS). Specifications
Specifications
Direct control VFS[35R/C]▷ Control type : Normal low type
Control Pressure kpa(kgf/cm², psi)
500.14~9.81(5.1~0.1,72.54~1.42)
Curren ...