Kia Optima: Circuit Diagram


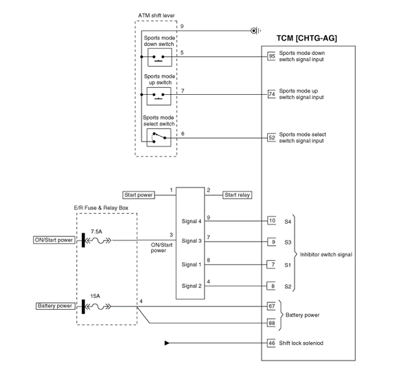
TCM Terminal Input/ Output SignalHow the Driver’s Air Bags (SRS) Work
The driver’s air bags are stored in the steering wheel hub. The passenger’s air
bag is stored in the dashboard above the glove box.
In certain frontal collisions, your air bags will instantly i ...
Disc Brake Wear Indicators
Your vehicle has disc brakes.
When your front brake pads are worn and it’s time for new pads, you will hear
a high-pitched warning sound from your front brakes. You may hear this sound come
and ...
OFF mode
Press the OFF button to turn off the air climate control system. However you
can still operate the mode and air intake buttons as long as the ignition switch
is in the ON position. ...