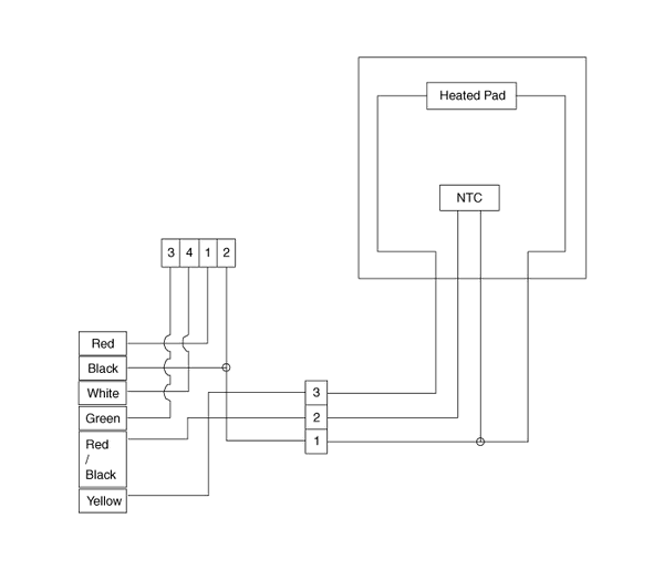
Kia Optima: System Circuit Diagram

Connector Terminal Function
Heated Steering wheel. Repair proceduresSteering Gear box. Components and Components Location
Components
1. Tie rod end
2. Lock nut
3. Bellows
4. Bellows band
5. Tie rod
6. Rack bar
7. Dust packing
8. Dust cap
9. Oil seal
10. Pinion plug
...
Diagnosis procedure by using diagnostic device
As manual for diagnosis methods by using diagnosis device, the main contents are
as follows:
1.
Connect self-diagnosis connector(16pins)
located in the lower of driver side crash pad to ...
Consumer Assistance
Roadside Assistance is provided on all new 2006 model Kia Vehicles from the date
the vehicle is delivered to the first retail buyer or otherwise put into use (in-service
date), whichever is earlie ...