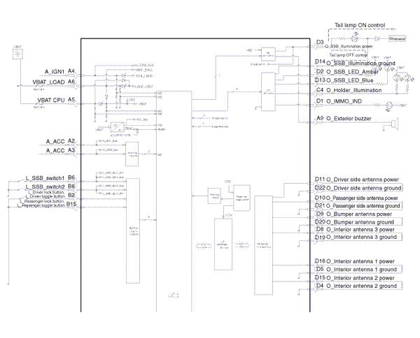
Kia Optima: Smart key unit. Schematic DiagramsCircuit Diagram


Component (2)Removal
Shift Lever Assembly Replacement
1.
Remove the center console assembly.
(Refer to "Interior(console)" in BD group.)
2.
Disconnect sports mode conn ...
Passenger Airbag (PAB) Module. Description and Operation
Description
The passenger airbag (PAB) is installed inside the crash pad and protects the front
passenger in the event of a frontal crash. The SRSCM determines if and when to deploy
the PAB.
...
Operating Precautions for Catalytic Converters
WARNING - Fire
A hot exhaust system can ignite flamable items under your vehicle. Do not park
the vehicle over or near flamable objects, such as dry grass, paper, leaves, etc.
Your vehicle is ...