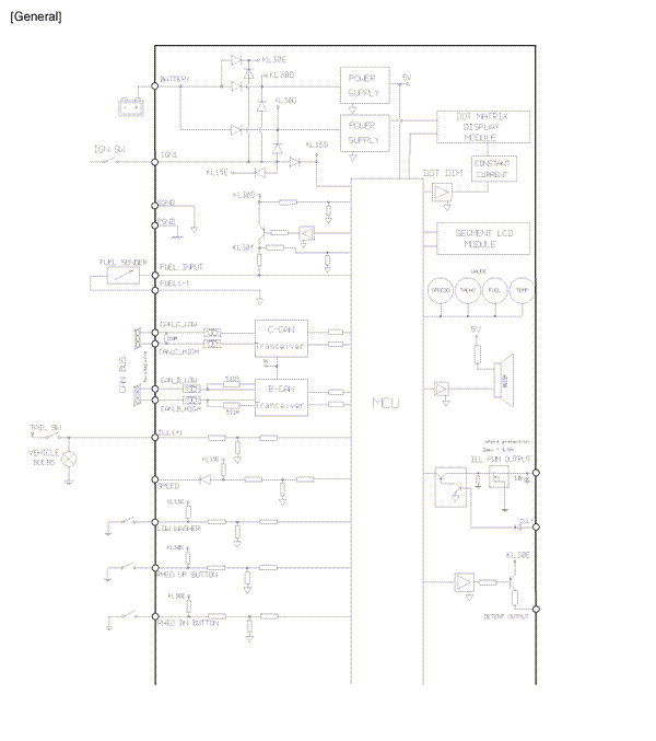
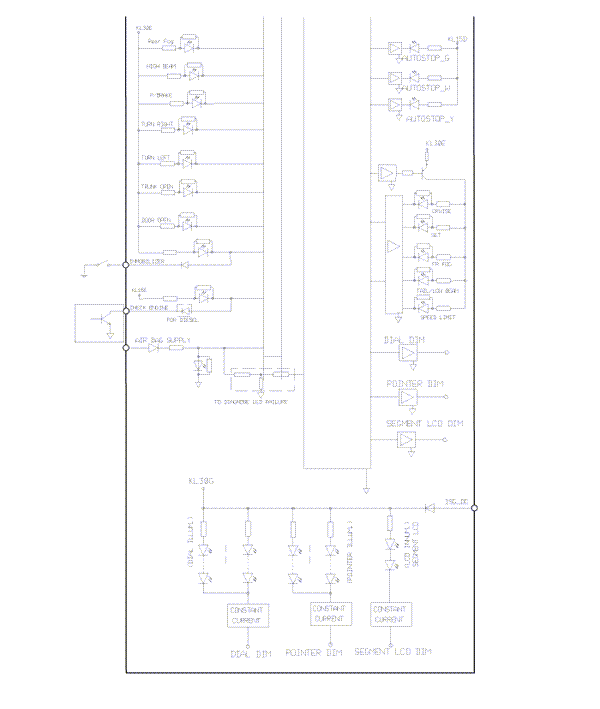
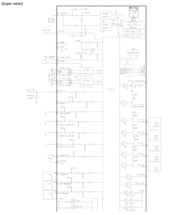
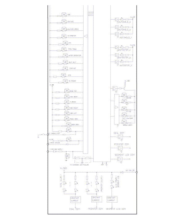
Kia Optima: Instrument Cluster. Schematic DiagramsCircuit Diagram





Instrument Cluster. Description and OperationIntake Air Temperature Sensor (IATS). Description and Operation
Description
Intake Air Temperature Sensor (IATS) is included inside Manifold
Absolute Pressure Sensor and detects the intake air temperature.To calculate precise air quantity, correction of the ai ...
Description and Operation
Description
Windshield deicer system prevent windshield wiper from freezing in the winter season.
It consists of deicer in the lower part of windshield, switch and relay. Body control
module rece ...
Installation
•
Install the component with the specified
torques.
•
Note that internal d ...